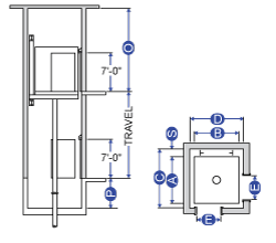
This application is used when a side opening is required in addition to a front opening. The rails and brackets are located on one wall of the hoistway. Please note that the dimensions shown are only examples of applications possible. Please call MEI for job-specific dimensions.
Advantages:
- Accommodates front and side openings.
- No extensive pit or overhead is required.
- Available for both low and high capacity cars.
Disadvantages:
- Since the rail brackets are all mounted on one wall, additional rail force accommodations may be necessary.
- Oil contamination in the ground is possible. As a precaution, the jack can be enclosed in PVC pipe. Areas with frequent seismic activity will have the greatest risk of oil contamination.
- The jack must go down into the ground roughly the same distance as the desired travel (multi-stage jacks can reduce this distance). Drilling a jack hole is expensive and may be nearly impossible in certain structural or geologic conditions.
Freight In-ground Rear/Side Slung Diagram
Double Opening (F/S)


Passenger In-ground Rear/Side Slung Diagram
Double Opening (F/S)

